您 好,欢迎您进入陕西西开高压开关有限公司官方网站!

让世界变得更加安全

专业让西开更高效

全国服务热线:
029-86685811
19991801097​

产品中心

Product center

联系我们

CONTACT US

陕西西开高压开关有限公司

电话:029-86685811

网址:www.sxxkgykg.com

办公总部:陕西省西安市雁塔区科技西路2825号绿地国际花都博海大厦1001—1005室。

生产基地:陕西省安康市高新技术产业开发区飞地经济产业园产业一路

您当前位置:产品中心 >> 高压输变电设备 >> 浏览文章
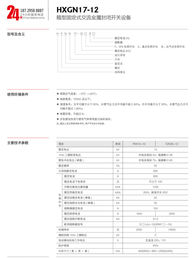
HXGN17-12箱型固定式交流金属封闭开关设备
    发布时间: 2018/3/28 16:54:19    

HXGN17-12箱型固定式交流金属封闭开关设备

HXGN17-12箱型固定式交流金属封闭开关设备